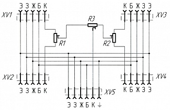
Предназначен для параллельного подключения до 4-х тензометрических датчиков, работающих параллельно в составе весов.
Установленные балансировочные резисторы позволяют откорректировать параметры датчиков и добиться независимости показаний от положения груза. Блок коррекции датчиков располагается в непосредственной близости от тензометрических датчиков (весов).
| Наименование | Параметр |
|---|---|
| Кол-во подключаемых датчиков, шт | 4 |
| Материал корпуса | Ударопрочный пластик |
| Уровень пылевлагозащиты | IP-66 |
| Подключение датчиков | Винтовые клеммы |
| Кабельные вводы | М12x1,5 для кабеля диаметром 4...8 мм |
"ЗАО БКК "Коломенский" выражает свою благодарность Вам и коллективу группы компаний МЕРА за многолетнее сотрудничество в поставках высококачественного оборудования и его своевременного, квалифицированного технического и метрологического обслуживания.
Наша основная цель и стратегия - это выпуск высококачественной продукции, именно это позволило достичь и наращивать лидерские позиции на рынке. В рецептуре важна точность, в управлении сырьевыми ресурсами производства важна эффективность..."
Спасибо! Ваш запрос отправлен.
Мы свяжемся с вами в течение 24 часов.
Извините, при отправке запроса произошла ошибка.
Попробуйте позже.
Внимание!!! Мы работаем только с юридическими лицами и индивидуальными предпринимателями.
Мы переехали, у нас новый адрес!!!
1. Самовывоз
Со склада в Москве по адресу:
115419, Москва, 2-й Рощинский проезд, д. 8, стр. 1, подъезд 4, Цокольный этаж.
с 10-00 до 16-00
Подготовка документов для выдачи 115419,г. Москва, 2-й Рощинский проезд, д. 8, стр. 3, подъезд 3 (2 этаж.)
2. Доставка по Москве в пределах МКАД:
Доставка автотранспортом до подъезда, массой от 5 кг - 700 руб.
Курьерская доставка продукции, массой до 5 кг - 400 руб.
3. Доставка за пределами МКАД и по Московской области:
Стоимость договорная
Доставка по Москве и Московской области осуществляется по рабочим дням, в течение 3 дней после оплаты и подтверждения заказа.
4. Для жителей других регионов Российской Федерации доставка осуществляется:Оплата за доставку в этом случае осуществляется на стороне клиента по факту прихода груза в ближайший региональный офис компаний или Покупателя.
С тарифами и сроками доставки вы можете ознакомиться самостоятельно на сайтах этих компаний. Доставка в регионы осуществляется только после полной предоплаты заказанного товара.
Оплата
Безналичный расчет
По всем вопросам обращайтесь по телефонам:
+7 (495) 411 99 28
8 800 333 77 14
E-mail: sale@mera-device.ru
Спасибо! Ваша заявка отправлена.
Мы свяжемся с вами в течение 24 часов.
Извините, при отправке заявки произошла ошибка.
Попробуйте позже.
Спасибо! Ваша заявка отправлена.
Мы свяжемся с вами в течение 24 часов.
Извините, при отправке заявки произошла ошибка.
Попробуйте позже.
